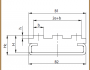
ТИП CT TRIPLEX PA66 направляющая для направляющих роликов
| DIN 8187 (номер цепи) | Размеры цепи (дюймы) | B1 | ЧАС | Hc | б | час | 2e + b | Статья №. | 
| 06B-3 | 3/8 '' x 7/32 '' | 30 | 15 | 20 | 5,3 | 1,5 | 25,9 | KXT-СТ-Т-06B-3-023 | 
| 08B-3 | 1/2 '' x 5/16 '' | 34,9 | 15 | 20 | 7,1 | 2,2 | 34,9 | KXT-СТ-Т-08В-3-024 | 
| 10B-3 | 5/8 '' x 3/8 '' | 50 | 15 | 17 | 8,9 | 2,6 | 42,1 | KXT-СТ-Т-10Б-3-025 | 
| 12B-3 | 3/4 '' x 7/16 '' | 49,7 | 18 | 20 | 10,7 | 2,4 | 49,7 | KXT-СТ-Т-12Б-3-026 | 
| 16B-3 | 1 '' x 17 мм | 79,5 | 20 | 22 | +15,7 | 3,5 | 79,5 | KXT-СТ-Т-16В-3-027 | 
| 20B-3 | 1 1/4 '' x 3/4 '' | 91 | 20 | 22 | 18 | 4,2 | 91 | KXT-СТ-Т-20В-3-028 | 
ПРЕИМУЩЕСТВА ИСПОЛЬЗОВАНИЯ ЭКСТРУДИРОВАННОГО РУКОВОДСТВА ДЛЯ ЦЕПЕЙ NYLON
	1. Довольно низкая стоимость 
Одноразовый процесс формовки экструзии исключил дополнительные затраты на обработку CNC и затраты на рабочую силу. 
2. Ультра-гладкая отделка 
Процесс экструзии делает поверхность более гладкой, увеличивает срок службы, уменьшает трение. 
3. Гибкая длина 
Экструдированный нейлоновый рельс может достигать любой длины (каждый) в соответствии с требованиями заказчика. 
4. Высокая точность 
Эксперименты с типом «T» 3/8 «x7 / 32» в качестве примера, B = 15 мм, H = 10 мм, b = 5,4 мм, h = 1,5 мм, для экструдированного образца нейлоновой цепи, любой размер поперечного сечения ошибка в пределах ± 0,05 мм; 3 случайных выборки UHMWPE с рынка, диапазон погрешности измерения ± 0,8 мм. 
5. Решения для изменения размера при поглощении воды 
Нейлон является водопоглощающим, здесь мы используем водостойкие добавки и 25% ~ 35% стекловолокна, чтобы предотвратить использование нейлонового направляющего устройства (в 1%). 
6. Сопротивление износу 
Коэффициент трения от 0,06 до 0,11 не уступает рельсу UHMWPE (0,05-0,08). 
7. Более длительный срок службы 
Отличные механические свойства, более высокая износостойкость, более длительный срок службы, чем направляющая UHMWPE. 
8. Чрезвычайно более высокая рабочая температура 
Направляющая UHMWPE составляет всего 80 ºC, здесь нейлоновая цепь может быть до 230 ° C. 
9. Супер механические свойства 
Почти четыре раза в качестве руководства UHMWPE.
| NO. | МАТЕРИАЛ СЕТИ ЦЕПЕЙ | ТОВАРНЫЙ ЗНАК | ПРЕДЕЛ ПРОЧНОСТИ | ПЛОТНОСТЬ | ПРОЧНОСТЬ НА ИЗГИБ | ТЕМПЕРАТУРА РАЗВИТИЯ VICAT | 
| 1 | армированный стекловолокном нейлон66 | РА66 + 30% GF | 189 ~ 230 | 1,38 | 262 | 248 | 
| 2 | СВМПЭ | СВМПЭ | 30 ~ 50 | 0,94 | 11 | 95 | 
	
ПРЕДСТАВЛЕНИЕ
Производительность тепловых барьерных полос соответствует китайскому стандарту GB / T 23615.1-2009 и европейскому стандарту EN 14024: 2004 для серии KAXITE, производительность намного выше, чем стандартное значение.
Подробная информация о соответствующем стандарте:
- GB / T 23615.1-2009 Аксессорный материал для архитектурных алюминиевых профилей - Часть 1: Термозащитная полоса из полиамида
- EN 14024-2004 Металлические профили с тепловым барьером - Механические характеристики Требование, доказательство и испытания для оценки
- YS / T 437-2008 Алюминиевые профили моментов инерционных методов расчета и требований к вычислительному программному обеспечению
- JG / T 174-2005 Термозащитные полосы для строительной промышленности
- GB 5237.6 -2012 Экструдированные профили из искусственного алюминиевого сплава для архитектуры. Часть 6. Термические барьерные профили
- GB / T 8478-2008 Алюминиевые окна и двери
- GB / T 8484-2008 Выпуск и испытание теплоизоляционных свойств дверей и окон
- JG 175-2011 Изоляционные профили из алюминиевого сплава с тепловым барьером для зданий
В 2015 году я стал лидером Китайского комитета национальных стандартов (для пересмотра GB / T 23615.1-2009) .
	
СЫРЬЕ
Для качества важнее всего контролировать производительность сырья, так как мы должны обеспечить, чтобы в смеси содержались дорогостоящие, но необходимые добавки (например,антиоксиданты и антивозрастные средства) . У нас есть собственная способность гранулирования для PA66 GF25 и многих других видов пластиковых гранул. Мы единственные, кто использовал технологию вакуумной сушки для полиамида, что может значительно улучшить естественные характеристики нейлоновых гранул.
У нас есть серии марок, соответствующих различным сырьевым материалам. Для отечественных серий, они станут отечественным новым PA66 и коротким измельченным стекловолокном , для серии KAXITE они будут импортированы Dupond PA66 и коротко нарезанным стекловолокном, который обладает более высокой производительностью, чем требуемый стандарт.
	
РЕЗКИ
В основном мы могли завершить разработку новых продуктов за 15 дней.
	Самое трудное - не думать, а осознавать. Большинство клиентов были расстроены тем, что никто не мог разработать формы, которые они разработали, некоторые коллеги даже пришли и искали помощь в нашей мастерской. Мы разрабатываем и разрезаем новые штампы для наших клиентов, конечно, мы никогда не выходили за рамки формы для наших клиентов. 
	
ДОСТАВКА
У нас более 40 экструдеров, производственная мощность которых составляет 550 000 метров в сутки. Для общих спецификаций они готовы на складе, если они настроены, в основном производство может быть закончено через 7 дней.
 
                        


 
																														 
																														